当前位置: 主页 > 主营产品 > 压力容器系列 >

制冷装置用WN系列卧式冷凝器

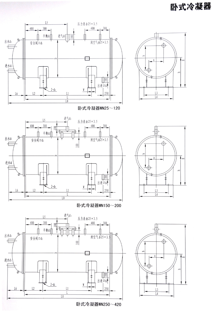
WN系列卧式冷凝器

WN系列卧式冷凝器为卧式管壳式结构,工作高温高压过热蒸汽有壳体的顶部进气管进入壳体与管束间的空隙,与管程的冷却水进行换热,在换热管外表面冷凝成液体后由壳体下部出液管引出。冷却水从端盖下部进水管进入冷凝器,在端盖上分水板的作用下,冷却水在筒体内分成数个流程并按顺序流动,最后经端盖上部的出水管排出。可广泛应用于化工轻工医药制冷空调食品冷藏等诸多行业。

卧式冷凝器





通风机组



冷风机      蒸发式冷凝器      轴流风机      压力容器      冷库门      铝排管





 

相关链接: 冷风机 蒸发式冷凝器 轴流风机系列 压力容器 制冷设备 铝排管 冷库门 冷库建设 冷风机厂家 冷风机公司
销售电话:13371122757    技术支持:枣庄鲲鹏企业营销策划
Copyright 2014 山东省北斗制冷设备有限公司 版权所有